Coulisses Quadro YOU 30 kg 550 mm avec amortisseur

KT-COU-HAYQ30550

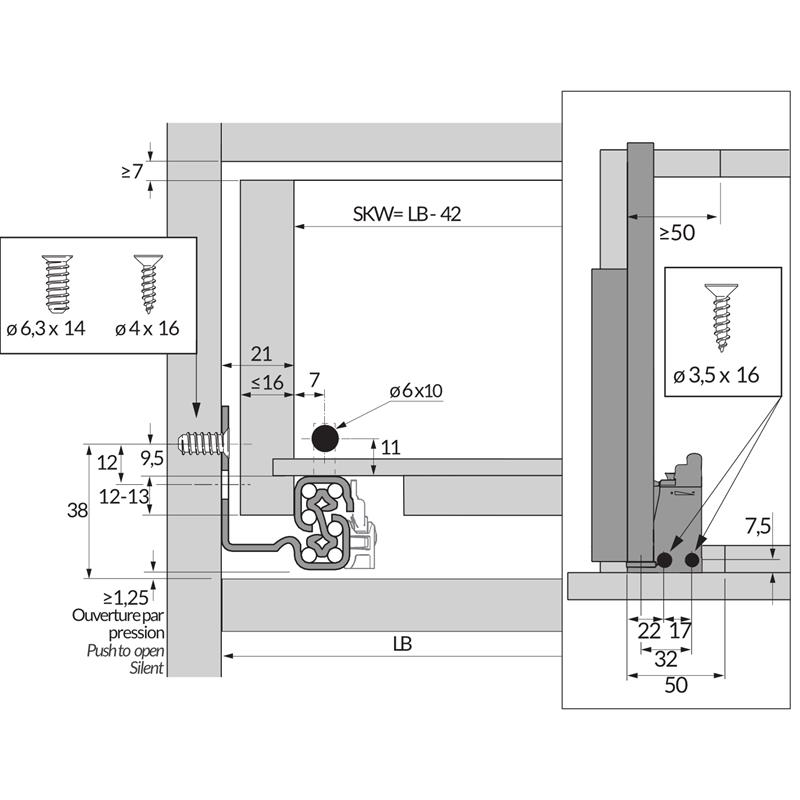
La Quadro de Hettich est une coulisse invisible conçue pour assurer un glissement doux et silencieux tout en offrant une grande stabilité verticale et latérale. Elle est disponible en plusieurs types de configurations, offrant des fonctions variées et des solutions performantes pour exploiter différents segments de marché sans aucun souci.

• Coulisse à sortie totale à combiner avec le tiroir système AvanTech YOU ou un tiroir en bois avec attaches
• Amortisseur intégré «Silent System»
• Réglage en hauteur sans outil jusqu’à + 3 mm
• Convient aux tiroirs avec une épaisseur de côté de tiroir jusqu'à 16 mm
• Capacité de charge selon EN 15338, niveau 3
• Acier zingué
 
Remarques :
• Le attaches doivent être commandé séparément
• L'ouverture par pression et la barre de synchronisation doivent être commandé séparément
• Les attaches pour tablette coulissante doivent être commandés séparément
En utilisant les attaches de tablette coulissante, la longueur du tiroir diminue de 10 mm (NL - 20 mm)

Ultra polyvalente, la coulisse Quadro est offerte en plusieurs versions : pour les tiroirs InnoTech Atira et Avantech YOU, mais également pour des tiroirs standards en mélamine ou autre matériau. Elle est également disponible en version pleine extension ou extension partielle, avec différentes capacités de charge, et en version avec fermeture amortie ou ouverture par pression.

Produits connexes

Image Côtés de tiroir AvanTech YOU H77 L550 blanc
COT-HAYB077550
Côtés de tiroir AvanTech YOU H77 L550 blanc
Image Côtés de tiroir AvanTech YOU Inlay H187 L550 blanc
COT-HAYB187I550
Côtés de tiroir AvanTech YOU Inlay H187 L550 blanc
Image Côtés de tiroir AvanTech YOU H251 L550 blanc
COT-HAYB251550
Côtés de tiroir AvanTech YOU H251 L550 blanc
Image Côtés de tiroir AvanTech YOU H77 L550 anthracite
COT-HAYG077550
Côtés de tiroir AvanTech YOU H77 L550 anthracite
Image Côtés de tiroir AvanTech YOU Inlay H187 L550 anthracite
COT-HAYG187I550
Côtés de tiroir AvanTech YOU Inlay H187 L550 anthracite
Image Côtés de tiroir AvanTech YOU H251 L550 anthracite
COT-HAYG251550
Côtés de tiroir AvanTech YOU H251 L550 anthracite
Image Côtés de tiroir AvanTech YOU H101 L550 blanc
KT-COT-HAYB101550
Côtés de tiroir AvanTech YOU H101 L550 blanc
Image Côtés de tiroir AvanTech YOU H139 L550 blanc
KT-COT-HAYB139550
Côtés de tiroir AvanTech YOU H139 L550 blanc
Image Côtés de tiroir AvanTech YOU H187 L550 blanc
KT-COT-HAYB187550
Côtés de tiroir AvanTech YOU H187 L550 blanc
Image Côtés de tiroir AvanTech YOU H101 L550 anthracite
KT-COT-HAYG101550
Côtés de tiroir AvanTech YOU H101 L550 anthracite
Image Côtés de tiroir AvanTech YOU H139 L550 anthracite
KT-COT-HAYG139550
Côtés de tiroir AvanTech YOU H139 L550 anthracite
Image Côtés de tiroir AvanTech YOU H187 L550 anthracite
KT-COT-HAYG187550
Côtés de tiroir AvanTech YOU H187 L550 anthracite
Image Attaches de coulisses Quadro YOU pour tiroir en bois
KT-ATT-HAYQ
Attaches de coulisses Quadro YOU pour tiroir en bois
Image Système d'ouverture par pression Silent à tension légère Quadro YOU 30 kg
PTO-HAYQ30L
Système d'ouverture par pression Silent à tension légère Quadro YOU 30 kg
Image Système d'ouverture par pression Silent à tension moyenne Quadro YOU 30 kg
PTO-HAYQ30M
Système d'ouverture par pression Silent à tension moyenne Quadro YOU 30 kg